Skip to content Skip to sidebar Skip to footer

Widget HTML #1

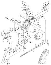
Heritage Rough Rider 22 Parts Diagram, 6 5 Rough Rider 22 Lr 22 Wmr Black Satin Camo Laminate, We ship to u.s.a., u.s.

Heritage Rough Rider 22 Parts Diagram, 6 5 Rough Rider 22 Lr 22 Wmr Black Satin Camo Laminate, We ship to u.s.a., u.s.. What ammunition can i use with my rough rider 22 combo revolver? /.22 wmr action sa capacity 6 / 9 Some of these small.22 single actions were sold under several names by different importers and parts may interchange between them. We ship to u.s.a., u.s. 4.8 out of 5 stars.

Model rough rider caliber.22 l.r. Some of these small.22 single actions were sold under several names by different importers and parts may interchange between them. Rough rider.22 combo firing pin replacement. You are purchasing a heritage rough rider 22 revolver parts, cylinder. Can i use a 9 shot cylinder in my 6 shot rough rider?

Heritage Rough Rider
Heritage Rough Rider from
We ship to u.s.a., u.s. What ammunition can i use with my rough rider 22 combo revolver? Heritage rough rider parts diagram. Heritage rough rider 22 revolver parts, gate $ 15.00 add to cart; Failure to follow any of these warnings could result in serious injury to you or others, as well as severe damage to the firearm or other property. If you decide to trim the frame, and if yours is cast, i'd use a very fine, broad stone to do the work, and use light strokes. 4.8 out of 5 stars. With your 22 lr cylinder:

There are several models of the gun that provide different grip colors and styles, sight options, and even different chambering (some models include interchangeable cylinders for.22lr and.22 magnum).

Disassembly and a quick trigger smoothing on the heritage rough rider 22. Heritage rough rider ejector tube assy 3 blk. M5 style detachable bottom magazine trigger guard + stock inletting. Rough rider usa flag, 22 lr, 4.75 barrel, fs, blue, limited production usa flag grips22 lr 4.5 out of 5 stars. Heritage rough rider parts diagram. For rates, please view our shipping information. Heritage rough rider 22 lr, revolver parts, backstrap trigger guard $ 30.00 add to cart; Some parts may show some blemishes, scratches & handling marks here and there & require cleaning. If you decide to trim the frame, and if yours is cast, i'd use a very fine, broad stone to do the work, and use light strokes. Heritage rough rider 22 disassembly and gunsmithing youtube here we have a standard heritage rr 22 combofig1 lets take it apart and see what makes it tick. Shop from numrich gun parts' selection of rough rider products today. Heritage rough rider 22 revolver parts, gate $ 15.00 add to cart;

Heritage rough rider ejector tube assy 3 blk. Heritage rough rider 221r revovler parts, cylinder $ 73.00 add to cart; For rates, please view our shipping information. Shop for heritage manufacturing rough rider parts for sale, and schematics with numrich gun parts. Heritage rough rider parts diagram.

Heritage Rough Rider 22 Parts
Heritage Rough Rider 22 Parts from i.imgur.com
Heritage rough rider 22 revolver parts, gate $ 15.00 add to cart; Item restrictions take precedence, and are noted above in red. Heritage rough rider 22 lr, revolver parts, backstrap trigger guard $ 30.00 add to cart; Products may vary from those depicted and heritage manufacturing inc hmi. I do a walk through on how to fix some of the common issues associated with the heritage rough rider.22lr.22mag revolver. Heritage rough rider 221r revovler parts, cylinder $ 73.00 add to cart; /.22 wmr action sa capacity 6 / 9 If you decide to trim the frame, and if yours is cast, i'd use a very fine, broad stone to do the work, and use light strokes.

Have a look at the manual heritage manufacturing rough rider single asction revolver instructions manual online for free.

Heritage rough rider adjustable rear fiber optic sight. Missing a barrel, cylinder or other major components. Shop from numrich gun parts' selection of rough rider products today. Protectorates, and canada, unless the item has restrictions. 4.8 out of 5 stars. And are a guide to the price you may expect to be charged locally for those products. These parts are used and will show signs of use. Item restrictions take precedence, and are noted above in red. Rr22mb6 heritage rough rider firing pin repair kit. More than a few missing small parts. Rough rider usa flag, 22 lr, 4.75 barrel, fs, blue, limited production usa flag grips22 lr Heritage rough rider 22 revolver parts, gate $ 15.00 add to cart; With your 22 lr cylinder:

You might also get parts from jack first gun parts. /.22 wmr action sa capacity 6 / 9 Parts kits are not functioning firearms. This video will show you how to field s. Usermanuals.tech offer 4 heritage manufacturing manuals and user's guides for free.

Heritage Rough Rider Revolver Owner S Manual Nos Gun Posters Catalogs Flyers At Gunbroker Com 898042600
Heritage Rough Rider Revolver Owner S Manual Nos Gun Posters Catalogs Flyers At Gunbroker Com 898042600 from p1.gunbroker.com
Most likely it would only take a few strokes anyway to fix just a few degrees. Disassembly and a quick trigger smoothing on the heritage rough rider 22. We offer the largest selection of hard to find parts. Products may vary from those depicted and heritage manufacturing inc hmi. Heritage refuses to change barrel length on the guns, citing some bullshit about how it would supposedly be a vioation of federal law to do so. Batf maintains this information and it cannot be altered. And are a guide to the price you may expect to be charged locally for those products. In addition to heritage.22 revolver grips, you can find other heritage rough rider parts for your pistol on ebay, such as:

More than a few missing small parts.

Parts kits are not functioning firearms. These parts are used and will show signs of use. Heritage rough rider 22lr revolver parts. If you decide to trim the frame, and if yours is cast, i'd use a very fine, broad stone to do the work, and use light strokes. Usermanuals.tech offer 4 heritage manufacturing manuals and user's guides for free. Heritage rough rider 22 lr revolver. Model rough rider caliber.22 l.r. Potentially missing some small parts such as pins, springs, etc. More than a few missing small parts. We ship to u.s.a., u.s. M5 style detachable bottom magazine trigger guard + stock inletting. With your 22 lr cylinder: Heritage rough rider 22 lr revolver parts, grip frame $ 40.00 add to cart;

Some of these small22 single actions were sold under several names by different importers and parts may interchange between them heritage rough rider. Products may vary from those depicted and heritage manufacturing inc hmi.